3.1.9.2. Система впрыска топлива KЕ-Jetronic
Система впрыска топлива KЕ-Jetronic
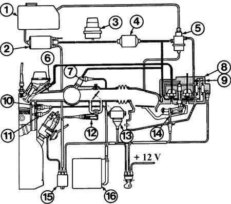
| 1 – топливный бак; 2 – топливный насос; 3 – аккумулятор давления; 4 – топливный фильтр; 5 – регулятор давления; 6 – форсунка; 7 – пусковая форсунка; 8 – дозатор количества топлива; | 9 – упор; 10 – термовременной выключатель; 11 – термодатчик; 12 – дополнительный воздушный канал; 13 – выключатель дроссельной заслонки; 14 – расходомер воздуха; 15 – реле; 16 – блок управления |
Аккумулятор давления
| 1 – аккумулятор давления; 2 – шланг к топливному фильтру; 3 – шланг от топливного бака |
Регулятор давления
| 1 – регулятор давления; 2 – разъем |
Система впрыска топлива KЕ-Jetronic является механической системой впрыска топлива которая в отличие от системы K-Jetronic имеет дополнительное электронное управление и при этом основная механическая система выполняет все необходимые функции в аварийном режиме при выходе из строя электронного управления.
В этой системе используется большее количество данных для управления, которые поступают от дополнительных датчиков. Блок управления осуществляет регулирование работы дозатора топлива через электрогидравлический регулятор.
Электрогидравлический регулятор давления расположен в дозаторе топлива и регулирует подачу топлива в систему в зависимости от режима работы двигателя. Он обогащает топливную смесь при холодном запуске двигателя, прогреве и ускорениях, выполняет функцию экономайзера при полной нагрузке и обеспечивает экономию топлива при торможении двигателем при оборотах свыше 1500 об/мин.



Комментарии